此車型適用于配置JDZ(X)10-10C型電壓互感器,安裝尺寸圖參照大連第一互感器廠,如配置其他型號電壓互感器,訂貨時需另外注明。熔斷器按XRNP-10型配置。
630A~1250A計量手車外形尺寸

此車型適用于配置JDZ(X)10-10C型電壓互感器,LZZBJ9-12/150b/2型電流互感器,安裝尺寸圖參照大連第一互感器,如配置其他型號電壓互感器,訂貨時需另外注明。熔斷器按XRNP-10型配置。
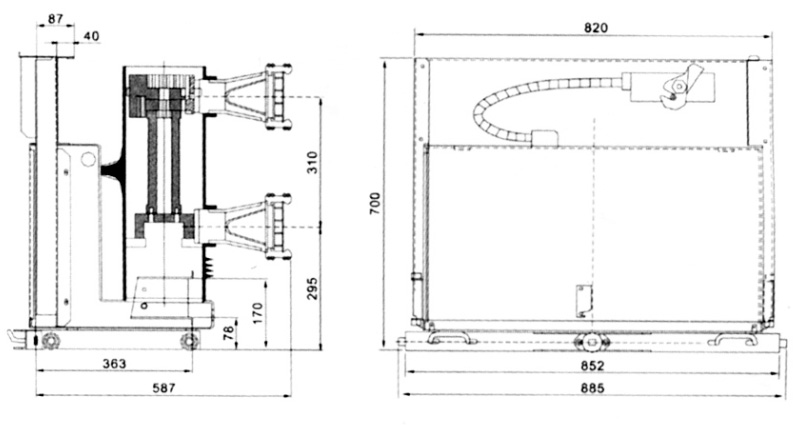
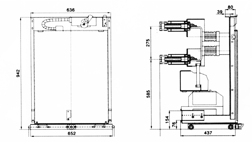
中置PT手車外形尺寸

此車型適用于配置JDZ(X)10-10C型電壓互感器,安裝尺寸圖參照大連第一互感器廠,如配置其他型號電壓互感器,訂貨時需另外注明。熔斷器按XRNP-10型或RN2-10型配置。
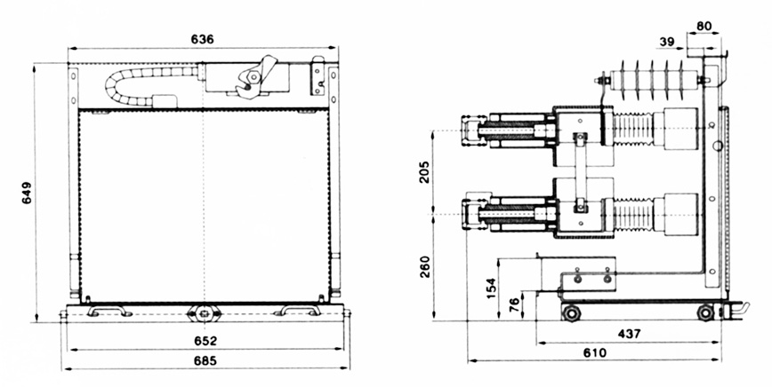
中置PT手車外形尺寸
此車型適用于配置JDZ(X)10<G>型電壓互感器,安裝尺寸圖參照大連第一互感器廠,如配置其他型號電壓互感器,訂貨時需另外注明。熔斷器按XRNP-10型或RN2-10型配置。
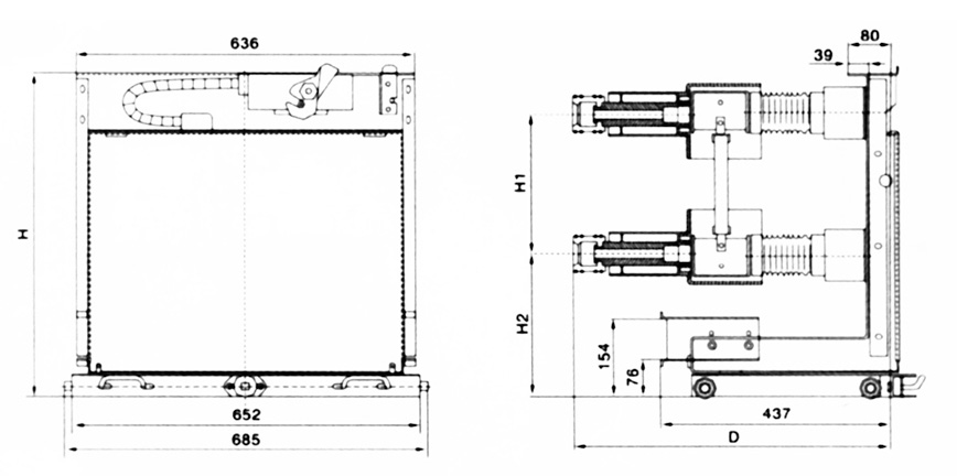
630A~1250A隔離手車外形尺寸
2000A~3150A隔離手車外形尺寸
4000A隔離手車外形尺寸
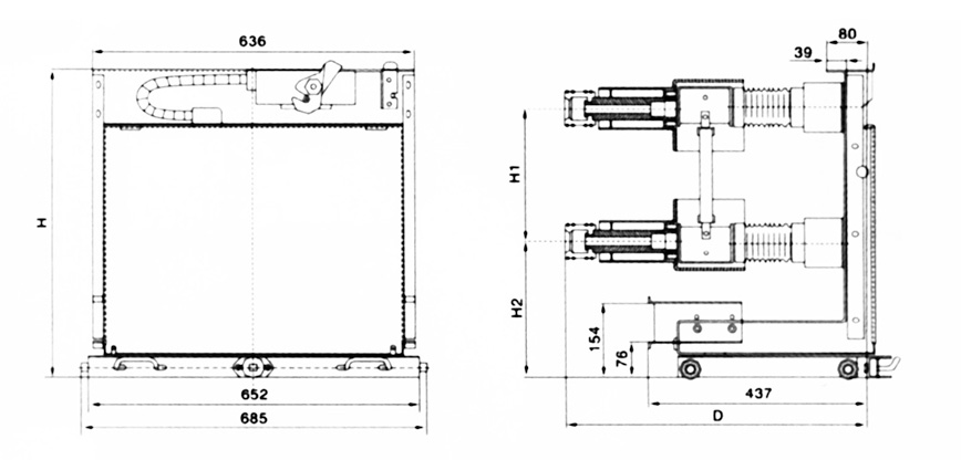
簡易型隔離手車外形尺寸